BAGIAN 1.
FUNGSI FISIOLOGIS JANTUNG
FUNGSI FISIOLOGIS JANTUNG
1.1 Jantung berdetak
Adalah jumlah detak jantung per satuan waktu - biasanya dinyatakan sebagai denyut per menit (bpm) - yang dapat bervariasi sesuai dengan kebutuhan tubuh untuk menyerap oksigen dan mengeluarkan perubahan karbon dioksida, seperti selama latihan atau tidur, Pengukuran detak jantung digunakan oleh para profesional medis untuk membantu dalam diagnosis dan pelacakan kondisi medis. Hal ini juga digunakan oleh individu, seperti atlet, yang tertarik dalam memantau detak jantung mereka untuk mendapatkan efisiensi maksimum dari pelatihan mereka.
1.2 Jantung dan Fungsi:
Jantung adalah organ yang bertanggung jawab untuk memompa darah ke seluruh tubuh. Hal ini terletak di tengah-tengah dada, sedikit offset ke kiri dan dikelilingi oleh paru-paru. Jantung terdiri dari empat ruang; dua atrium dan ventrikel dua. Atrium kanan menerima darah kembali ke jantung dari seluruh tubuh. Darah yang melewati ventrikel kanan dan dipompa ke paru-paru di mana ia oksigen dan kembali ke jantung melalui atrium kiri, kemudian darah melewati ventrikel kiri dan dipompa lagi untuk didistribusikan ke seluruh tubuh melalui arteri .
Ini adalah daftar dari peristiwa yang terjadi di dalam hati pada setiap denyut jantung. Gambar1 menunjukkan perilaku jantung dan bagian dari sinyal yang dihasilkan.
Juga dikenal sebagai kompleks QRS:
1. Atrium mulai depolarisasi.
2. Atrium depolarizes.
3. Ventrikel mulai depolarisasi di puncak. Atrium ulang polarizes.
4. Ventrikel depolarisasi.
5. Ventrikel mulai kembali polarisasi di puncak.
6. Ventrikel kembali polarisasi.
Gambar 2 menunjukkan sinyal jantung yang khas. Dalam sinyal ini, otot-otot jantung menghasilkan tegangan yang berbeda. Gelombang P merupakan kontraksi atrium. Kompleks QRS dan gelombang T merupakan tindakan ventrikel. Setiap kali sinyal ini hadir, jantung berdetak dihasilkan.
BAGIAN 2.
DESAIN RANGKAIAN ECG
2.1 Pendahuluan:
Tahap pertama dari rangkaian EKG termasuk instrumentasi amplifier itu adalah bagian paling penting dalam rangkaian harus memberikan keuntungan yang tinggi untuk memperkuat lemahnya sinyal EKG dan menjadi imunitas mampu kebisingan (sinyal modus umum) dan sinyal lain dalam spektrum elektromagnetik.
2.2 Kebisingan / Noise
Kebisingan dari lingkungan akan dengan mudah rawa sinyal pulsa kecil dari hati. Lead menghubungkan elektroda ke amplifier akan bertindak seperti antena yang secara tidak sengaja akan menerima sinyal yang dipancarkan tidak diinginkan. Sinyal tersebut misalnya 50Hz dari jaringan listrik dan emf dunia dari lampu neon akan menambahkan gelombang sinusoidal kecil yang umumnya cukup sulit untuk menyaring pergi, tapi dalam proyek kami, kami tidak akan menyangkut jenis suara (50Hz) sejak jangkauan kami sinyal adalah 0,5-5 Hz. Kebisingan dan gangguan sinyal yang diperoleh dalam jenis sistem disebabkan oleh instalasi listrik. Sinyal dari hati yang terlalu kecil dan perlu untuk memperkuat sinyal dan mengurangi umum-mode tegangan pada sistem. Aspek lain yang menghasilkan kebisingan kontraksi otot, pernapasan, dan emisi elektromagnetik dari komponen elektronik.
2.3 Perangkat:
Untuk mengatasi masalah di atas, ukuran berikut akan diambil:
Sebuah gain tinggi penguat instrumentasi dengan tinggi Common Mode Rejection Ratio (CMRR) akan digunakan untuk menerima sinyal yang diinginkan.
Sebuah band pass filter akan dilaksanakan untuk menghilangkan kebisingan. Karena sebagian besar jenis kebisingan yang dibahas adalah frekuensi tinggi sedangkan sinyal yang diinginkan relatif rendah.
Rangkaian deteksi puncak untuk mendeteksi kegagalan sehubungan elektroda.
Oscillator untuk menghasilkan sinyal dengan frekuensi sekitar 5okhz yang melewati penguat instrumentasi ketika koneksi kerugian terjadi.
Analog ke sirkuit digital untuk pemrosesan sinyal menggunakan teknik komputer.
2.4 penguat instrumentasi (INA 128):
Akuisisi sinyal adalah pertimbangan pertama ketika HRM diimplementasikan. Tapi sinyal terlalu kecil dan berisi banyak suara tambahan. Seperti yang kami katakan di atas sinyal diekstrak dari hati memiliki amplitudo sekitar 0.5mV.
Sejak itu, perlu untuk memperkuat sinyal dan menyaring kebisingan, dan kemudian ekstrak kompleks QRS.
Sebuah penguat instrumentasi biasanya tahap pertama dalam sistem instrumentasi. Hal ini karena tegangan yang sangat kecil biasanya diterima dari probe perlu diperkuat secara signifikan untuk melanjutkan tahapan.
Kita dapat meringkas alasan untuk menggunakan penguat instrumentasi:
1- Dapatkan sinyal diferensial.
2- impedansi masukan tinggi.
3- CMRR tinggi.
Mari kita mengambil beberapa review tentang instrumentasi amplifier:
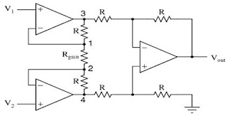
Sirkuit ini dibangun dari tahap penguat diferensial buffered dengan tiga resistor baru yang menghubungkan kedua sirkuit penyangga bersama-sama. Pertimbangkan semua resistor menjadi nilai yang sama kecuali untuk Rgain. Umpan balik negatif dari op-amp atas-kiri menyebabkan tegangan pada titik 1 (atas Rgain) untuk menjadi sama dengan V1. Demikian juga, tegangan pada titik 2 (bawah Rgain) diadakan untuk nilai sama dengan V2. Ini menetapkan penurunan tegangan Rgain sama dengan tegangan perbedaan antara V1 dan V2. Itu drop tegangan menyebabkan arus melalui Rgain, dan karena loop umpan balik dari dua masukan op-amp tidak menarik saat ini, bahwa jumlah yang sama saat ini melalui Rgain harus melalui dua "R" resistor di atas dan di bawahnya. Ini menghasilkan drop tegangan antara titik 3 dan 4 sama dengan:

Diferensial amplifier biasa di sisi kanan sirkuit kemudian mengambil ini drop tegangan antara titik 3 dan 4, dan menguatkan dengan keuntungan dari 1 (dengan asumsi lagi bahwa semua "R" resistor nilai yang sama). Meskipun ini terlihat seperti cara praktis untuk membangun penguat diferensial, ia memiliki keuntungan yang berbeda dari yang memiliki impedansi masukan yang sangat tinggi pada input V1 dan V2 (karena mereka terhubung langsung ke input non pembalik dari masing-op-amp mereka), dan disesuaikan gain yang dapat diatur oleh resistor tunggal. Memanipulasi rumus di atas sedikit, kita memiliki ekspresi umum untuk keuntungan tegangan secara keseluruhan di penguat instrumentasi:

2,5 GAIN SELEKSI:
INA128 dan INA129 Memiliki daya yang rendah, umumnya amplifier instrumentasi mempunyai akurasi yang sangat baik. Serbaguna 3-op amp desain dan ukuran kecil membuat mereka ideal untuk berbagai aplikasi. Sirkuit masukan saat-tanggapan menyediakan bandwidth yang lebar.
Bahkan pada gain tinggi (200 kHz di G = 100). Sebuah resistor eksternal tunggal menetapkan keuntungan apapun dari 1 to10, 000. INA128 memberikan keuntungan standar industri.
Persamaan; Persamaan gain INA129 adalah kompatibel dengan AD620 tersebut. INA128 / INA129 adalah laser yang dipangkas untuk sangat rendah tegangan offset (50mV), drift (0.5mV / ° C) dan modus common- tinggi penolakan (120dB di G ³ 100). Ini beroperasi dengan catu daya serendah ± 2.25V, dan diam.
Saat ini hanya 700mA-ideal untuk sistem baterai dioperasikan. Perlindungan masukan internal dapat menahan hingga ± 40V tanpa kerusakan. INA128 / INA129 tersedia dalam 8-pin DIP plastik, dan SO-8 permukaan-mount paket, yang ditentukan untuk -40 ° C hingga + 85 ° C suhu. INA128 juga tersedia dalam konfigurasi dual, INA2128.
Dari desain kami kami memilih RG = 1kΩ karena keuntungan yang kita dapatkan 51 v / v sebenarnya gain tidak terlalu besar untuk alasan bahwa meskipun penguat instrumentasi memiliki mode umum tinggi rasio penolakan tapi suara masih efek ke output dari rangkaian menurut ini persamaan:

sehingga sinyal ini yang tergantung pada frekuensi yang akan melewati instrumentasi op amp.
FEATURES:
LOW OFFSET VOLTAGE: 50mV max.
LOW DRIFT: 0.5mV/°C max.
LOW INPUT BIAS CURRENT: 5nA max.
HIGH CMR: 120dB min.
INPUTS PROTECTED TO ±40V.
WIDE SUPPLY RANGE: ±2.25 to ±18V.
LOW QUIESCENT CURRENT: 700mA.
8-PIN PLASTIC DIP, SO-8

2.6 filtering:
Lebar bandwidth yang diperlukan untuk sinyal EKG (0,5 hz- 30 Hz) untuk manusia jantung normal sehingga kami memilih bandwidth sirkuit dekat kisaran ini, jika kita memilih bandwidth (0.5-120Hz) bentukan filter yang dibutuhkan dalam desain untuk menghapus 5ohz kebisingan dari jalur jaringan listrik.
2.7 dc offset
Sebenarnya kita menggunakan dc offset karena beberapa komponen (QRSTU) gelombang di bagian negatif sehingga jika kita ingin mengkonversi sinyal kami ke bentuk digital kita perlu membuat dc offset atau kita dapat menggunakan analog bipolar ke digital konverter.
BAGIAN 3
3.1 Rangkaian detektor Tegangan Puncak / Peak Detector Circuit
Detektor puncak digunakan ketika Anda memiliki AC sinyal input berubah dengan cepat, dan Anda ingin mendapatkan tegangan puncak sinyal mencapai. Detektor puncak benar-benar sederhana untuk membuat - hanya dioda dan kapasitor dalam bentuk yang paling sederhana. Dalam desain kami di mana saya menggunakan detektor puncak untuk mempertahankan sinyal puncak yang dihasilkan dari osilator yang muncul ketika ada koneksi gagal pada masukan dari penguat instrumentasi pada tahap pertama, hanya rangkaian detektor puncak berisi kapasitor pada anoda dioda terminal untuk proses dan kedua kapasitor pengisian di terminal katoda untuk proses, pengisian pemakaian dan pemakaian proses tergantung pada τ = RC.
Komparator membandingkan antara tegangan pada kapasitor kedua dan tegangan ambang untuk mendeteksi puncak 50 sinyal kHz.
3,2 menguji sirkuit sehubungan kegagalan elektroda:
Menurut impotensi sirkuit dalam aplikasi medis kita perlu untuk mendeteksi kegagalan mungkin terjadi selama diagnostik, masalah yang paling penting bahwa dokter perlu tahu apakah ada kerugian sehubungan elektroda untuk menyelesaikannya dan mengambil pengukuran terbaik dari perangkat.
Untuk lengan kanan :
Untuk kaki kanan :
3.3 osilator sirkuit:
Rangkaian osilator diperlukan untuk menghasilkan sinyal untuk rangkaian saat ini untuk mendeteksi kegagalan sehubungan elektroda amplitudo sinyal yang dihasilkan tergantung pada pasokan listrik dari sirkuit, frekuensi sirkuit yang dihasilkan dapat menghitung sesuai dengan nilai-nilai resistor dan kapasitor di sirkuit.
Catatan: Kami mengubah rangkaian osilator di simulasi dengan sirkuit ini pada Gambar 13 ketika kita terhubung sirkuit kami bahwa kami dirancang pada papan percobaan.
BAGIAN 4
4.1 EKG sinyal simulator:
Simulasi SPICE, bahasa yang digunakan Multisim mengemulasi perilaku desain sirkuit, tidak berjalan secara real-time. Ini berarti bahwa jika sinyal dunia nyata diperoleh oleh instrumen VIEW Lab itu tidak bisa langsung disuntikkan ke dalam simulasi, karena pengukuran akan berjalan pada tingkat yang berbeda (real time vs simulasi waktu).
Dalam perkembagan rekayasa teknik Biomedis, kebutuhan untuk dapat dengan cepat merancang sirkuit yang interface untuk sinyal manusia adalah masalah desain umum. Sebuah penguat misalnya dapat dirancang dalam paket simulasi sirkuit, namun sinyal yang akan antarmuka untuk sirkuit tertentu akan rangsangan simulasi sederhana (seperti gelombang sinus, gelombang persegi dll ...). Untuk benar-benar menguji penguat biomedis, Anda harus mampu antarmuka desain untuk sinyal nyata.
Menggunakan instrumen Lab VIEW ini unik Anda dapat menentukan elektrokardiogram manusia (EKG) sinyal, dan telah diperkuat melalui sirkuit dibuat dalam Multisim.
4.2 langkah simulasi:
Instrumen VIEW Lab ini, kustom dibangun untuk NI Multisim menghasilkan gelombang elektroda EKG baku. Karena alat ini dibangun di VIEW Lab kami memiliki sejumlah analisis, dan fungsi sinyal mengubah tersedia bagi kita. Dalam hal ini kita dapat menambahkan tegangan mode umum, serta komponen suara untuk mengubah sinyal untuk meningkatkan tes dan validasi sirkuit kami.
Download file diarsipkan ke desktop dari sini. (Here http://www.ni.com/example/30925/en/ )
References :
http://engineerslabs.com/2012/01/ecg-circuit-analysis-and-design-simulation-by-multisim/
- (http://zone.ni.com/devzone/cda/epd/p/id/5925)
- Wikipedia (ecg circuit )
- All datasheet site download (www. Alldatasheet.com)
- JOGN G.WEBSTER ,”Medical Instrumentation, Application And Design”.
- http://www.analog.com/library/analogDialogue/archives/37-11/ecg.html.
- Jessica ambourn, “Portable ECG Logger”, October 2003.
- Leece Sofoklis Nikiforos,” Heart Rate Monitor and Data Acquisition System”
- http://www.google.jo/search?sourceid=chrome&ie=UTF-8&q=ECG+ Instrumentation .
- http://www.google.jo/search?sourceid=chrome&ie=UTF-8&q=Heart-Rate+and+EKG+Monitor+Using+the+MSP430FG439
- http://www.google.jo/search?sourceid=chrome&ie=UTF-8&q=Heart+Rate
- http://www.news-medical.net/health/What-is-Heart-Rate.aspx.
- http://www.topendsports.com/testing/heart-rate.htm.
- http://en.wikipedia.org/wiki/Heart_rate.



















